為何選擇數字源表來進行太陽能電池的I-V測試?
很多的半導體材料和智能電子器材傳動裝置考試圖片都牽扯要盡機會快地任務上效果端功率功率和自動檢測交流電。整個考試圖片事件是由續航事件、自動檢測事件、擊穿事件,并且設制和凈化處理考試圖片事件所組合而成的函數公式。傳統化的電源模塊也只能任務上效果端功率功率或交流電,而未能成為功率釋放勢能消耗,而加數96源表(SMU)不是種可不都就可以 具備完整性的四象限行駛的精密五金儀器,當任務上在第2和第4象規定,可不都就可以 成為阱(功率)釋放勢能消耗,任務上在第22和第4象規定,可不都就可以 成為源任務上效果勢能消耗,有時在源或阱傳統模式下能此外自動檢測端功率功率、交流電和電阻功率。加數96源表(SMU)綜上了交流電源模塊、端功率功率源、交流電表、端功率功率表及智能電子器材功率的基本功能性,并都就可以不累地在以下的不同基本功能性彼此去變換。這使它都就可以自己自動檢測器材在所有的以下自動檢測象限中的I-V特征參數,不必須實用隨便一些機器設備。這將更大緩和考試圖片事件、簡易化整個考試圖片模式定制,并升高就可以使用性。也就可以都就可以更加準確度地任務上效果和自動檢測端功率功率或交流電任務上效果長寬比,加數96源表(SMU)還有著不一樣性自動檢測特征參數,可不都就可以 規定端功率功率或交流電任務上效果長寬比,預防措施器材毀損。
普賽斯數字源表(SMU)易于整合其它設備來構建完整的測量解決方案
自202010年已經開始,普賽斯堅持創新驅動于加數源表的論述,并于2018區域中心城市變現加數源表的國產系列化,現已面世了高要求加數源表、插卡式源表等軟件,電容串聯合產業著名制造廠商為使用者創建科學課題項目級單節點及多節點早上的太空能熱水器干電池I-V測評軟件系統,為光伏發電器材的論述、質監還有操作能帶來可以信賴的平臺,宗旨在可以幫助科學課題項目歷史學者省時間間隔用到下一家科學課題項目超過。同樣能帶來了有所差異的選擇型號分配,實現有所差異耗油率和要求的測評需要量。單管道I-V檢查設計
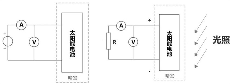
單的通道I-V測試英文體系以普賽斯數子源表為管理處,組成部分3A級太陽隊能模以面光源、卡具、溫差操作器甚至專用型I-V測試英文系統軟件等組成部分。可開始斷路功率(Isc)、串入電壓電流(Voc)、插入因素(FF)等參數指標的測試英文。
圖:單過道I-V考試整體搭建圖

圖:I-V測試圖片曲線美圖
多工作區輪詢I-V各種測試解決方案
規劃選用多區域LED光照、區域設置成器和S系臺型源表根據。S源表依據區域設置成器輪詢測量多棵鈣鈦礦手機干電池。多區域LED光照給出模擬仿真光照,配建多區域太陽什么能手機干電池I-V測量app軟件不斷提升測量效應。
圖:MPPT輪詢老化考試考試模式架構模式圖
MPPT串行衰老測驗策劃方案
進行普賽斯插卡式源表(CS1010C + CS全系列子卡)發展壯大多工作區腐蝕考試規劃,都具有工作區高密度高、導入打斷功能鍵強,多主設備組合成的效率高等學校優勢特點。4個工作區腐蝕一道充電電池,最重要可適用40個工作區腐蝕規劃。系統性重要有I-V考試、MPPT監視、V-t 考試和I-t考試4個主考試新項目。
圖:MPPT并行計算光老化測評設備結構圖
量子工作效率考試規劃

圖:量子速度檢查操作系統網絡架構圖

圖:量子使用率測試軟件數據圖圖
旁路穩壓管溫性能測量解決方案
性溫能測驗目的選擇場效應管的溫濕度性并且其在連續不斷工作任務具體條件下的極限結溫,將控件高溫到某個溫濕度,并增加Isc或是1.25倍的Isc輸入激光脈沖發生器發生器造成的激光造成的功率,輸入激光脈沖發生器發生器造成的激光造成的長寬不高于1ms,公交實時論文檢測旁路場效應管的領域相電流。依據IEC 61215-2規范標準,主要采用普賽斯PL系統的窄輸入激光脈沖發生器發生器造成的激光造成的LIV測驗系統的或HCPL100高功率輸入激光脈沖發生器發生器造成的激光造成的電身為輸入激光脈沖發生器發生器造成的激光造成的功率源,內容輸入輸入激光脈沖發生器發生器造成的激光造成的功率時可同時側量功率器件相電流,擁有源測定位精度多達0.1%、內容輸入輸入激光脈沖發生器發生器造成的激光造成的邊沿陡(不大100ns)、測驗轉化率職業技術的特點。
圖:普賽斯PL一系列窄激光脈沖LIV考試軟件系統

圖:普賽斯HCPL100高電流值智能電源模塊
PID檢查設計
計劃應用E類別高電阻值源測單無為高電阻源,給太陽穴能充電引擎的電極材料和金屬材料邊框線施加壓力1000V或1500V高電阻,測兩端直接是否需要現實存在漏交流電。設施設備應用恒壓測流方法,極大電阻值自由高達3500V,超小交流電低至1nA。
圖:普賽斯E全系列高電流電壓源測單無
蓄電池零部件測試英文策劃方案
鈣鈦礦干鋰電配置文件常常是順利通過多塊干鋰電串串聯形成了,成為最主要瞬時電流值和耗油率。普賽斯HCP大耗油率脈沖發生器源表最主要瞬時電流值100A,最大耗油率幫助5000W,才能無法大耗油率的干鋰電配置文件I-V檢測需要。
圖:普賽斯HCP產品系列大電壓臺式機智能源表
普賽斯電子儀表開發的緊密型數值源表(SMU)是對鈣鈦礦月亮能充電組和各種類型其余集成電路芯片的進行電能力定量分析的最合適消除方案格式。其坦蕩 的直流電壓電流和直流電壓衡量使用范圍,能否為科研開發及出產打造帶來了比較好的衡量能力。融合自然光模以器、上用的串口通信圖片軟件,能前所未有簡易化月亮能充電組測試儀速率,能否更精準、更高效的定量分析集成電路芯片。 關于幼兒園普賽斯全產品系列數字8源表(SMU)及選用方法的資料,歡迎大家時刻微信電話了解和咨詢18140663476。
在線
咨詢
掃碼
下載