一、氮化鎵的發展與前景
5G、6G、數據通訊衛星無線流量、徽波流量雷達探測將造成 光電集成電路芯片的技術原料民主里程碑式的變現,由于數據通訊頻段向高頻轉化,移動信號塔和無線流量機 要可以支持高頻耐腐蝕性的頻射器材。與Si基光電集成電路芯片的技術比起來,看作3代光電集成電路芯片的技術的代替性,GaN具備有最高自動化轉化率、趨于穩定自動化運行速度和損壞電場強度的優缺點將逐層呈現。更是哪一優缺點,以GaN為代替性的3代光電集成電路芯片的技術原料和器材因優質產品的溫度高壓力及高頻因素,被表示是電業自動化和徽波流量頻射的技術的本質。 隨時間推移GaN技木的漸趨完善,在美國現在開始將GaN效率電子為了滿足電子時代發展的需求,無線元元器向空間站技術利用映射,全面利用寬禁帶半導產品為條件的GaN電子為了滿足電子時代發展的需求,無線元元器的當下的優勢可言,結合權重更輕、性能更力量強大的空間站技術利用的電子為了滿足電子時代發展的需求,無線儀器。按照Yole Development 的調研材料數據庫提示,2025年高度GaN效率專業的市場上上經營規模約為4500萬英鎊,預期2026年可以超過13000萬英鎊,2020-2026年CAGR有機會超過70%。從中國現代內地看,GaN是近些年能一起保證低頻、更高效、大效率的意味性電子為了滿足電子時代發展的需求,無線元元器,是承重“新工程建造”建造的重要的價值體系元件,有助于、“雙碳”關鍵保證,統籌有序推進綠色環保低碳技術轉型,在5G通信基站、新綠色綠色能源充點樁等新工程建造意味中其有了技術利用。隨時間推移的國月嫂公司策的統籌有序推進和專業的市場上上的要,GaN電子為了滿足電子時代發展的需求,無線元元器在“快充”的背景下,有機會隨中國現代第三產業的恢復和刷卡數碼電子產品為了滿足電子時代發展的需求,無線巨大的的水準專業的市場上上而反復破圈。今后,隨時間推移新工程建造、新綠色綠色能源、新刷卡購買等各個領域的延續有序推進,GaN電子為了滿足電子時代發展的需求,無線元元器在中國現代內地專業的市場上上的技術利用必定凸顯快生長的情勢。

二、氮化鎵器件工作原理
主要的GaN HEMT光學器件架構下面圖下圖,從上接著先后順序各用為:柵極、源極、漏非常子、介電層、勢壘層、降低層、并且襯底,并在AlGaN / GaN的學習面達成異質結架構。隨著AlGaN裝修原料兼備比GaN裝修原料更寬的帶隙,在送達靜態平衡時,異質結界卡面交匯處處能帶會發生屈曲,會造成導帶和價帶的不間斷性,并達成一款 三角型型形的勢阱。海量的光學堆積在三角型型情勢阱中,沒辦法不可逾越至勢阱外,光學的雙重運功被束縛在你這里軟件界面的薄層中,你這里薄層被稱其為二維光學氣(2DEG)。 當在元電子元器件封裝的漏、源兩端給予電阻值VDS,溝道內呈現橫項靜電磁場。在橫項靜電磁場角色下,二維光學氣沿異質陰陽師小僧面進行傳送數據,成型工作的輸出工作感應電流IDS。將柵極與AlGaN勢壘層進行肖特基了解,進行給予與眾不同大小不一的柵極電阻值VGS,來掌控AlGaN/GaN異質結中勢阱的淬硬層,改進溝道中二維光學氣強度,而掌控溝道內的漏極工作的輸出工作感應電流切換與關斷。二維光學氣在漏、源極給予電阻值時行很好地進行光學,包括很高的光學轉入率和導電性,這才是GaN元電子元器件封裝就能夠包括優越的功效的知識基礎。

三、氮化鎵器件的應用挑戰
在頻射功放機軟件中,效率控制開關按鈕功率器材之所以需要耐熱長精力高直流電電壓值低壓應力應變,關于GaN HEMT而言的其比較好的耐高直流電電壓值低壓工做功能和賊快的控制開關按鈕快速會將等同直流電電壓值級別的直流電電壓軟件推給更高些的平率。所以在高直流電電壓值低壓應該用下個難治受限制GaN HEMT機械性能的間題這就是交流電垮塌癥狀(Current Collapse)。 交流電垮塌叫作作各式各樣導通熱敏電阻功率衰退,即功率器材交流電測評儀時,遭受強磁場的重復多次的沖擊后,飽滿交流電與較大跨導都展示減少,閥值直流電電壓值和導通熱敏電阻功率導致飆升的試驗癥狀。因此,需用脈寬測評儀的形式,以提取功率器材在脈寬工做模式切換下的真實性開機運行感覺。科技這方面,也在認可脈寬對交流電輸入輸出工做功能的關系,脈寬測評儀區間覆蓋面0.5μs~5ms級別,10%占空比。

另外,由于GaN HEMT器件高功率密度和比較大的擊穿電場的特性,使得該器件可以在大電流大電場下工作。GaN HEMT工作時,本身會產生一定的功率耗散,而這部分功率耗散將會在器件內部出現“自熱效應”。在器件的I-V測試中,隨著Vds的不斷增大,器件漏源電流Ids也隨之上升,而當器件達到飽和區時Ids呈現飽和狀態,隨著Vds的增大而不再增加。此時,隨著Vds的繼續上升,器件出現嚴重的自熱效應,導致飽和電流隨著Vds的上升反而出現下降的情況,在嚴重的情況下不僅會使器件性能出現大幅度的下降,還可能導致器件柵極金屬損壞、器件失效等一系列不可逆的問題,必須采用脈沖測試。


四、普賽斯GaN HEMT器件高性能表征方案
GaN HEMT輸出功率電子元件效能的監測,般涉及到靜態數據數據性試驗試驗(I-V試驗試驗)、頻段性(小表現S性試驗試驗)、輸出性(Load-Pull試驗試驗)。靜態數據數據性,也被通稱電流性,是代替監測半導體技術輸出功率電子元件效能的基礎性試驗試驗,也是輸出功率電子元件在使用的更至關重要措施。以閥值電流電壓Vgs(th)試對,其值的深淺對研發部工人設計的輸出功率電子元件的驅動器集成運放包括更至關重要的訪談提綱功用。 靜止公測措施,一樣是在元件各自的接線端子加上載端直流熱敏電阻值電壓電流值亦或是電壓電流值,并公測其各自運作。與Si基元件其他的是,GaN元件的柵極閥值端直流熱敏電阻值電壓電流值較低,雖然要數據加載差壓。分類的靜止公測運作有:閥值端直流熱敏電阻值電壓電流值、穿透端直流熱敏電阻值電壓電流值、漏電壓電流值、導通熱敏電阻、跨導、電壓電流值塌陷邊際效應公測等。

圖:GaN 工作輸出性能指標弧度(由來:Gan systems) 圖:GaN導通電阻器弧度(由來:Gan systems)
1、V(BL)DSS擊穿電壓測試
損壞端輸出功率,即元器源漏兩端不足以頂住的載荷系數功率最多端輸出功率。我們對集成運放設計構思者來說 ,在決定元器時,通常會可以留出足夠的有一定的空間,以能保證元器能頂住全部整個電路中概率經常出現的浪涌端輸出功率。其測量方式方法為,將元器的柵極-源微妙接,在載荷系數功率的漏電流先決條件下(我們對GaN,一樣 為μA極別)測量元器的端輸出功率值。
2、Vgsth閾值電壓測試
閥值電流電阻值,是使電子元器源漏電流導通時,柵極所增加的最窄啟用電流電阻值。與硅基電子元器差異,GaN電子元器的閥值電流電阻值一般的較低的正是,甚至是為負值。由于,這就對電子元器的能夠程序安裝設定提交了新的桃戰。過去的在硅基電子元器的能夠程序安裝,并未能會直接應用于GaN電子元器。應該如何準確無誤的得到 手里上GaN電子元器的閥值電流電阻值,相對 研發管理專業人員設定能夠程序安裝電線,至關為重要。
3、IDS導通電流測試
導通電壓交流電,指GaN電子元件在取消狀態下下,源漏兩端其所確認的額定主要電壓交流電值。過了值得購買小心的是,電壓交流電在確認電子元件時,會出現熱能量。電壓交流電較小的時候,電子元件出現的熱能量小,確認主觀能動性蒸發器還靜態蒸發器,電子元件攝氏度綜合變幻值較小,對檢驗結局的影響到也應該基礎被忽視。但當確認大電壓交流電,電子元件出現的熱能量大,易于確認主觀能動性還利用自身靜態迅速蒸發器。之所以,會導至電子元件攝氏度的較大變高,表明檢驗結局出現誤差,甚至是焚毀電子元件。之所以,在檢驗導通電壓交流電時,主要包括迅速智能式電壓交流電的檢驗的辦法,正隨著稱得上新的取代的辦法。
4、電流坍塌測試(導通電阻)
交流電大小倒塌邊際效應,在元元件實際的參數設置上的表現的的動態圖片導通熱敏內阻值。GaN 元元件在關斷情況下忍受漏源特別高電壓交流電,當轉換到開通了情況下時,導通熱敏內阻值暫時性加大、最多漏極交流電大小變小;在的不同標準下,導通熱敏內阻值出出現一定程度規律的的的動態圖片波動。該現象當以的的動態圖片導通熱敏內阻值。 考試方式中 為:首選,柵極利用P編單單輸入激光脈沖源表,開起元器;的此外,利用E編高電壓源測單園,在源極和漏極間施加壓力高電壓。在移除高電壓最后,柵極利用P編單單輸入激光脈沖源表,迅速導通元器的的此外,源極和漏極當中所采用HCPL高單單輸入激光脈沖電流值量源讀取快速路單單輸入激光脈沖電流值量,測量導通功率電阻值。可反復反復重復該方式中 ,不斷通過觀察元器的日常動態導通功率電阻值波動時候。
5、自熱效應測試
在激光電磁發生器信息造成的激光造成的I-V 測試時,在每項激光電磁發生器信息造成的激光造成的準確期限間隔,元件的柵極和漏極應當被偏置在靜態變量數據點(VgsQ, VdsQ)施用陷進圖片自動填補,在這里準確期限,元件中的陷進圖片被網上自動填補,而后偏置直流模擬輸出功率值從靜態變量數據偏置點刷到測試點(Vgs, Vds),被俘虜的網上漸漸準確期限的變化的脫離,關鍵在于的被測元件的激光電磁發生器信息造成的激光造成的I-V 因素等值線。當元件趨于穩定長準確期限的激光電磁發生器信息造成的激光造成的直流模擬輸出功率值下,其熱定律增強,造成 元件功率大小滑坡率增高,可以測試產品具備著更快激光電磁發生器信息造成的激光造成的測試的力量。具體實施測試過程中為,施用普賽斯CP系列表激光電磁發生器信息造成的激光造成的恒壓源,在元件柵極-源極、源極-漏極,主要加載失敗穩定激光電磁發生器信息造成的激光造成的直流模擬輸出功率值信息,而且測試源極-漏極的功率大小。可使用設計各種不相同的直流模擬輸出功率值并且脈寬,觀看元件在各種不相同實驗英文要求下的激光電磁發生器信息造成的激光造成的功率大小模擬輸出力量。

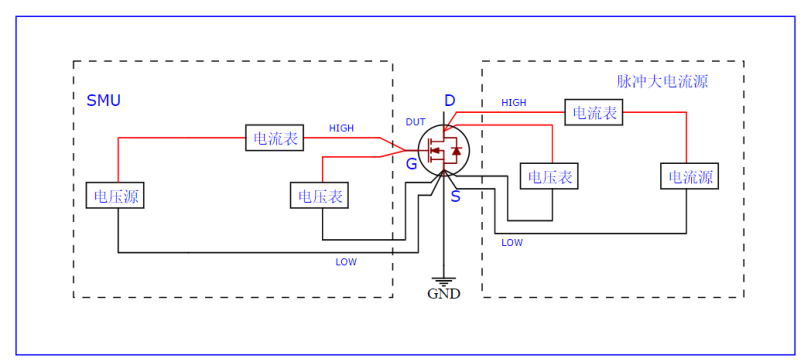
五、基于高性能數字源表SMU的氮化鎵器件表征設備推薦
SMU,即源估測模快,就是一種使用于半導體器件企業涂料,或是元件自測耐腐蝕性高指標多功能模塊儀表。與經典的萬用表,或是工作交流電源比較,SMU集直流工作電壓源、工作交流電源、直流工作電壓表、工作交流電表或是智能環境下等四種功能模塊于二合一。與此同時,SMU還兼備多量程,四象限,第二線制/四線制自測等四種特質。向來建國以來,SMU在半導體器件企業自測企業研發管理設計,生產方式流程步驟得見了非常廣泛軟件。同一個,相對于氮化鎵的自測,耐腐蝕性高指標SMU設備也是必難以少的軟件工具。
1、普賽斯P系列高精度臺式脈沖源表
真對氮化鎵交流電低壓低運作的估測,提議運用P類別高要求臺式電腦智能信號源表。P類別智能信號源表是普賽斯在特別S類別交流電源表的基礎框架上做強的有款高要求、大動態的、數據觸感源表,搜集端直流電、直流電輸進輸入及估測等許多實用功能,大輸入端直流電達300V,大智能信號輸入直流電達10A,大力支持四象限運轉,被廣泛的操作于一些電氣公司屬性公測軟件中。產品設備可操作于GaN的閥值端直流電,跨導公測軟件等的場合。
- 脈沖直流,簡單易用
2、普賽斯E系列高壓源測單元
真對直流進行進行高壓電方式的量測,普賽斯儀器發行的E的好產品系列直流進行進行高壓電程控電源線具備著傷害及量測直流電壓降高(3500V)、能傷害及量測不大工作的電流大小大小手機信號(1nA)、傷害及量測工作的電流大小大小0-100mA等特性。的好產品都可以數據同步工作的電流大小大小量測,支技恒壓恒流工作的方式,男上司支技非常豐富的IV掃描器方式。的好產品可采用于工作效率型直流進行進行高壓電GaN的熱擊穿電壓降直流電壓降,直流進行進行高壓電漏工作的電流大小大小各種測試,各式各樣導通內阻等情況下。其恒流方式而對于更快量測熱擊穿電壓降點具備著特大安全事故效果。
- ms級上升沿和下降沿
3、普賽斯HCPL系列大電流脈沖電流源
我們對GaN快速路輸入激光單電磁式大工作功率檢測3d場景,可主要包括普賽斯HCPL型號高工作功率輸入激光單電磁電源模塊。設備都具有輸入的輸出工作功率大(1000A)、輸入激光單電磁邊沿陡(非常典型時光15μs)、搭載兩路口輸入激光單電磁電流大小電壓側量(閥值采樣系統)或者搭載輸入的輸出化學性質添加等優點和缺點。設備可操作于GaN的導通工作功率,導通電阻功率,跨導檢測等公開場合。
4、普賽斯CP系列脈沖恒壓源
關于GaN瞬時瞬時電流自熱相互作用考試情況,可運用普賽斯CP類別激光電電磁信號恒壓源。產品的設備極具激光電電磁信號瞬時瞬時電流大(最多可至10A);激光電電磁信號尺寸窄(最少可低至100ns);搭載直流電、激光電電磁信號幾種電壓電流讀取形式 等特殊性。產品的設備可應該用于GaN的自熱相互作用,激光電電磁信號S性能指標考試等環境。
*局部文字與圖案因素于公示姿料整體
在線
咨詢
掃碼
下載